V Cooling Fan Relay Wiring Diagram

V Cooling Fan Relay Wiring Diagram. Cooling Fan Diagrams - Free download as PDF File (.pdf), Text File (.txt) or read online for free. colling fan. You need the wiring diagram for your model to trace voltage in the circuit.

45 New Finder Relay Wiring Diagram
45 New Finder Relay Wiring Diagram (Rhoda Gibbs)
During defrost operation, the fan stops so that cool air is not discharged and "HEAT READY" is displayed. How To Wire Dual Electric Cooling Fans. The fan only runs when needed to help cool the engine.

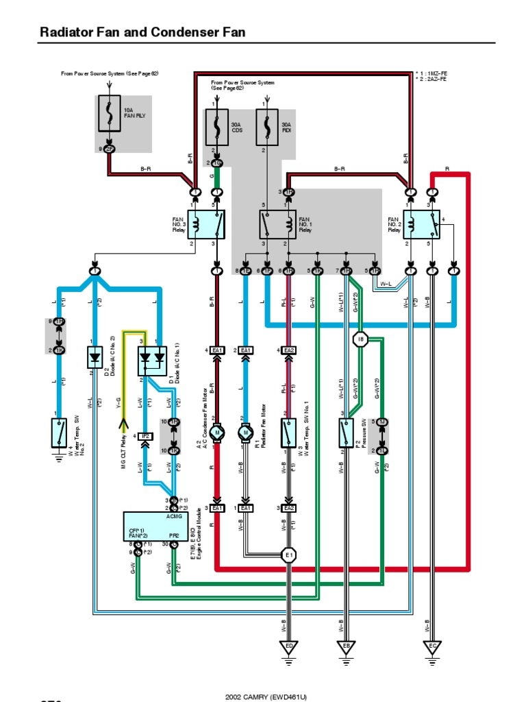
Hyundai wiring diagram for radiator cooling fans.

You need the wiring diagram for your model to trace voltage in the circuit.

Bypass Switch for an AC Radiator Fan

34 Fan Relay Wiring Diagram - Wiring Diagram Database

19 Best Ac Fan Relay Wiring

12V ELECTRIC RADIATOR FAN GROUNDING THERMOSTAT RELAY WIRE ...

American Volt 60a Relay Wire Harness Dual 12

PRECISION AUTO LABS 16" Inch 12 volt Electric Radiator Fan ...

185 Degree On 165 Off Electric Cooling Fan Wiring ...

Diy fan relay for you car | Fan relay diagram | Pinterest ...

Full Underbody Kit - Page 4 - Miata Turbo Forum - Boost ...

Selection of plastic insulation material for high temperature and better chemical solution performance. Radiator Cooling Fan Fuse Location: Where Is The Fuse Located For - Fan Relay Wiring Diagram. Nothing here should be confused with the latest generation of VARIABLE.

Subscribe to receive free email updates:

0 Response to "V Cooling Fan Relay Wiring Diagram"

Post a Comment