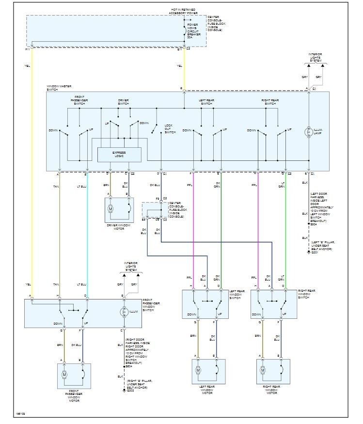
02 Buick Rendezvous Wiring Diagram

02 Buick Rendezvous Wiring Diagram. Free PDF download for thousands of cars and trucks. This could be caused by a bad chip in the key, or a problem with the ignition tumbler or steering column wiring (many times older high mileage vehicles the wiring breaks in the.

Trailer Wiring Harness Kit For 02-07 Buick Rendezvous 01 ...
Trailer Wiring Harness Kit For 02-07 Buick Rendezvous 01 ... (Mildred Lamb)
A Buick dealership may also be able to give you a wiring diagram for free. These Rendezvous manuals have been provided by our users, so we can't guarantee completeness. Find great deals on eBay for buick rendezvous repair manual.

Diagnose A Belt Tensioner Ricks Free Auto Repair Advice Automotive.

Read online or download in PDF without registration.

Buick Rendezvous Engine Diagram - Horsesean

Rendezvous

2002 Buick Rendezvous 02 Rendezvous Code 1189: I Am Having ...

I have an 02' Buick Rendezvous 3.4L, I was told the lower ...

SOLVED: 03 Buick Rendezvous cam position sensor wiring - Fixya

2002 Buick Century Radiator Diagram

Buick rendezvous 02 check engine light on need new ...

How do you remove the fuel tanl on a 2002 rendzvous

Problem #1- Anti-lock Brake and AWD Disable and Problem #2 ...

Buick Rendezvous - wiring diagram - fuse box diagram - engine compartment. Trace the wiring till you can see where a short may. You need a new body control module.

Subscribe to receive free email updates:

0 Response to "02 Buick Rendezvous Wiring Diagram"

Post a Comment