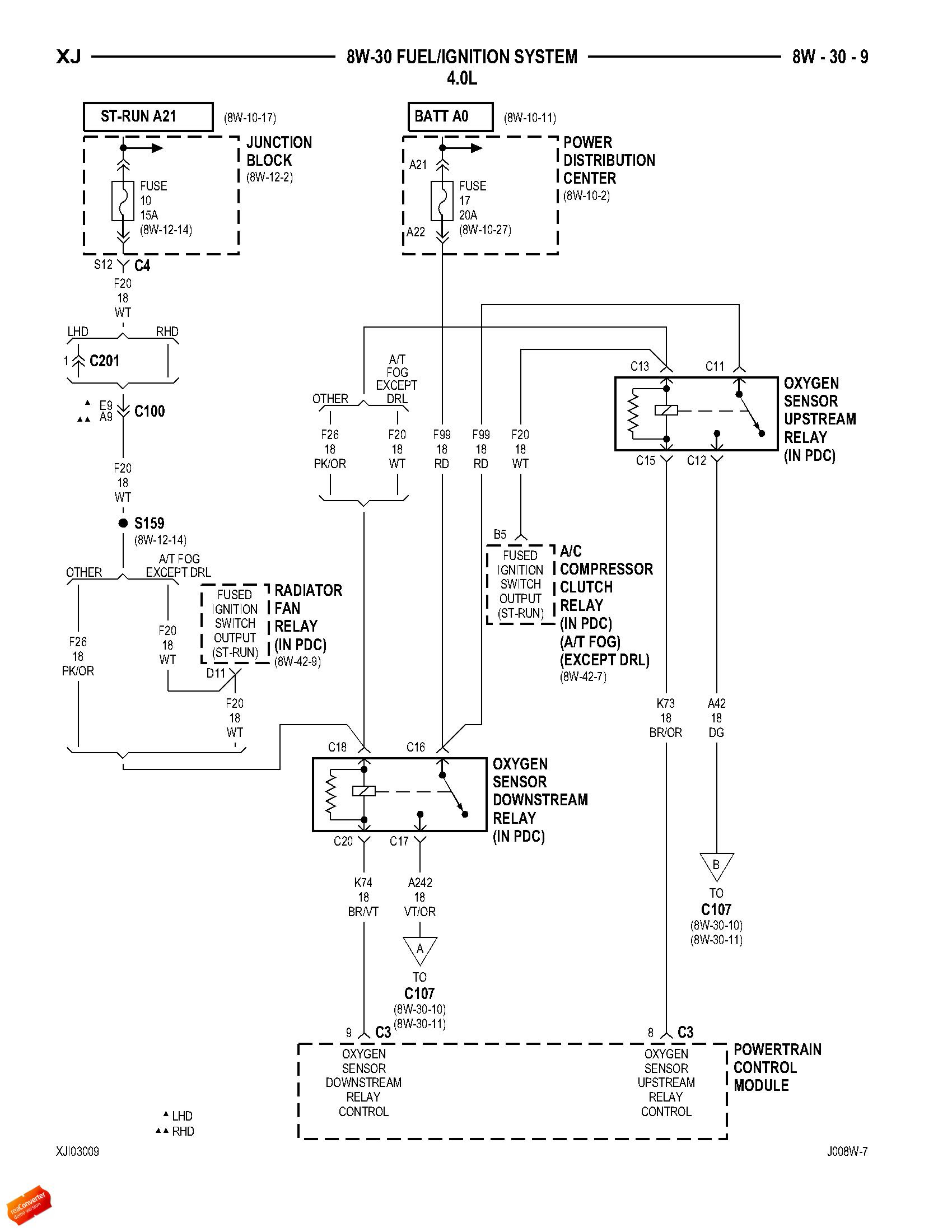
01 Wrangler Engine Wiring Diagram
01 Wrangler Engine Wiring Diagram. The Totally Integrated Power Module is located in the engine compartment near the battery. Check the Starter relay and its circuit. wire lines (with reference).
LOCATION Front of engine compartment Magneto Carburetors Near of intake silencer Near driven pulley Under console Under hood Near fuel tank Rear of seat Under engine On injection oil reservoir.
The Totally Integrated Power Module is located in the engine compartment near the battery.
In addition to wiring diagrams, these guides also provide information on Alternator Identification and procedures for an engine replacement with a new Briggs & Stratton engine that utilizes a different style alternator (output connector). The first two figures indicate the function, the two following figures identify the component. Jeep Wrangler (JK) - fuse box diagram.






0 Response to "01 Wrangler Engine Wiring Diagram"
Post a Comment